上海恒點傳動設備有限公司
加微信聯系 恒點減速機QQ2:51228482
[HTML] [XML]  産品展示産品展示-RSS  新聞中心新聞中心-RSS  技術支持技術支持-RSS
産品分類: 減速機蝸輪絲杆升降機轉向箱蝸輪蝸杆減速機齒輪減速機行星齒輪減速機擺線針輪減速機無級變速機大功率減速器
上海恒點傳動設備有限公司
資訊分類
和産品相關的技術文章
當前位置:網站首頁 > 技術支持 > HD17-1:1-A(C)齒輪換向器 軸入軸出 實物和外形尺寸圖-恒點

HD17-1:1-A(C)齒輪換向器 軸入軸出 實物和外形尺寸圖-恒點

Tags: HD螺旋錐齒換向器    發布時間: 2023-08-23
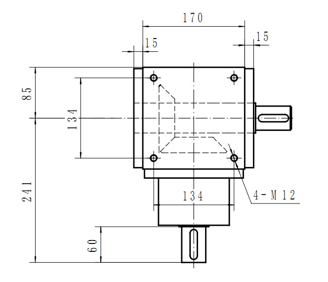
  HD17-1:1-A和HD17-1:1-C是一組相似的齒輪換向器,都單軸輸入 ,單軸輸出,隻是輸出軸一個左一個右 。HD17-1:1,在轉速1500轉時,最大允許的輸入功率爲39.3KW,輸出和輸出的軸徑都是40,鍵12。底面安裝孔距爲134*134,安裝孔爲4-M12,附圖如下
 HD17的主機重量爲32KG,加油量爲1L。
HD17-1:1-A(C)齒輪換向器 單軸入 單軸出 實物圖

HD17-1:1-A齒輪換向器 單軸入 單軸出 實物圖

HD17-1:1-C齒輪換向器 單軸入 單軸出 實物圖

HD17-1:1 外形尺寸圖:
HD17-1:1 外形尺寸圖
HD17-1:1 外形尺寸圖
上一篇 上一篇: WPWDKT80-20-A減速機 法蘭輸入 通孔輸出 實物圖-恒點
下一篇 下一篇: T10-1:1-1-U轉向箱外形尺寸及實物圖 水平輸入 豎直向上輸出-上海恒點
相關新聞文章 > 查看更多
軸承異響-關聯部件與設計問題 2026-01-26
滑動軸承主要故障規則 2025-12-15
變頻器應用中的幹擾問題及其對策 2025-11-24
簡述火焰矯正的原理 2025-10-30
車削螺紋時常見故障及解決方法-中徑不正確 2025-09-01
如何實現測量系統在複雜車間環境下的應用 2025-07-09
國産的閉式齒輪油有哪些種? 2025-06-13
錐齒輪承載能力計算方法第1部分:概述和通用影響系數動載系數KV(GB/T10062.1-2003) 2025-04-25
齒輪圓周力是怎麽計算出來的 2025-02-24
什麽是高溫軸承?主要用於哪些領域? 2025-01-16
什麽是軸承規格? 2024-12-10
什 麽 是 滾 動 體 引 導 2024-11-25
返回頂部 關閉本頁】 【打印本頁
電 話:021-22815912  021-22816186  傳 真:021-32050712   郵箱:sales@021jsj.cn  減速機 絲杆升降機 轉向箱 蝸輪蝸杆減速機
Copyright©2009-2026上海恒點傳動設備有限公司 版權所有  地址 :上海市金山區亭林鎮林寶路39号  郵編:200442  滬ICP備10206998号-2 
友情鏈接機械設備網 | 渦街流量計 | 輸送機 | 變頻控制櫃 | 破碎機 | 工業同城 | 手持終端 | 柴油發電機 | uv平闆打印機 | 風淋室 | QUV | 防火門 | 九愛圖紙 | 感應加熱設備 | 輸送帶廠家 | 噪聲治理 | 西門子plc | 拖鏈電纜 | AGV | 機械雜志 | 現代機械 | UWB高精度定位 |